骨骼肌(横纹肌)组织

骨骼肌(横纹肌)组织受运动神经支配,负责骨骼的随意运动、眼球和舌等器官的活动,以及维持身体姿势。

- 舌切片中观察到的骨骼肌(横纹肌)细胞束
- 光学显微镜(MO)下骨骼肌(横纹肌)细胞的纵切面(CL)与横切面(CT)
- 光学显微镜(MO)下观察到的骨骼肌(横纹肌)细胞横纹
- 莱迪希柱(Colonnettes de Leydig)与康海姆区(champs de Conheim)
- 光学显微镜(MO)下肌膜(sarcolemme)的显示
- 透射电镜(MET)下观察到的骨骼肌(横纹肌)细胞周边(肌膜)
- 透射电镜(MET)下观察到的肌原纤维与横纹
- 透射电镜(MET)下横切面(CT)的肌节(Sarcomères)
- 波特-帕拉德三联体(Triade de Porter et Palade)

舌切片中观察到的骨骼肌(横纹肌)细胞束

舌由中央的肌质块和表面覆盖的黏膜构成,黏膜由结缔组织和复层扁平上皮组成。
肌质块由大量走向各异的细小肌束构成,这是舌具备高度灵活性的基础——舌的灵活运动是口腔内食物移动和发声的必要条件。

肌束由骨骼肌(横纹肌)细胞聚集而成,肌束之间的间隙由结缔组织(肌束膜/pé rimysium)填充。 肌束膜发出结缔组织分支(肌内膜/endomysium),包裹每个肌细胞,使其与相邻细胞分隔开。
肌细胞的切面方向与其所属肌束的切面方向一致。
光学显微镜(MO)下骨骼肌(横纹肌)细胞的纵切面(CL)与横切面(CT)
骨骼肌(横纹肌)细胞为直径较大的长圆柱形细胞,在肌束内平行排列。 纵切面上,其多个扁平细胞核位于细胞膜下的细胞周边; 肌原纤维贯穿细胞全长,使细胞呈现纵纹和横纹双重纹理。
骨骼肌(横纹肌)细胞的横切面直径大且大小相对均一,因相互挤压呈圆形或多边形,多个细胞核位于周边。
光学显微镜(MO)下观察到的骨骼肌(横纹肌)细胞横纹
该视野近乎完美地显示了纵切骨骼肌(横纹肌)细胞的横纹: 偏振光下呈各向异性的暗A带(disques sombres A)与偏振光下呈各向同性的亮I带(disques clairs I)交替排列; 细的暗线(Z线/Stries Z,Zwickenscheibe)将每个亮I带一分为二,相邻两条Z线之间的节段即为肌节(sarcomères)。
肌节内,暗A带被较亮的H带(Hensen盘)分为两部分; 分隔H带的M线(Mittelmembrane,M膜)在光学显微镜下不可见。
莱迪希柱(Colonnettes de Leydig)与康海姆区(champs de Conheim)
纵切面下,部分骨骼肌(横纹肌)细胞的肌原纤维聚集成束,即莱迪希柱(Colonnettes de Leydig)。 这些肌原纤维沿细胞长轴贯穿全程,是纵纹形成的基础; 肌原纤维构成的柱体之间由纤细、透明的细胞质分隔带隔开。
横切面下,部分骨骼肌(横纹肌)细胞的肌原纤维聚集成团,该视角下称为康海姆区(champs de Conheim)。
包裹每个肌细胞的肌内膜(endomysium)富含血管(大量毛细血管,其横切面管壁由1-2个卷曲的内皮细胞构成)。
光学显微镜(MO)下肌膜(sarcolemme)的显示
肌膜(sarcolemme)由骨骼肌(横纹肌)细胞的细胞膜、细胞外被(cell coat)和基膜组成,可通过显示其组分在光学显微镜下定位。 该冷冻舌切片中,层粘连蛋白抗原(Ag laminine)被抗层粘连蛋白抗体(Ac antilaminine)识别; 抗原-抗体复合物随后被过氧化物酶标记的抗体识别,通过细胞化学方法显示其存在(黑色沉淀物)。 层粘连蛋白可见于:分隔复层扁平上皮与下方结缔组织的基膜处、包裹每个骨骼肌(横纹肌)细胞的肌膜处,以及血管和神经的基膜处。
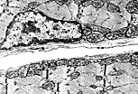
透射电镜(MET)下观察到的骨骼肌(横纹肌)细胞周边(肌膜)
这是透射电镜纵切面下观察到的两个相邻骨骼肌(横纹肌)细胞的小片段: 细胞间隙内可见肌内膜的胶原纤维,以及成纤维细胞的丝状细胞突起。
细胞质内存在横纹肌原纤维是识别横纹肌细胞的依据; 细胞核紧贴细胞膜分布,则证实这些横纹肌细胞为骨骼肌来源。
该视野显示:细胞质(肌浆/sarcoplasme)包含聚集成肌原纤维的肌丝,以及位于骨骼肌(横纹肌)细胞周边的细胞器(线粒体)。 电子密度最高的Z线将每个肌原纤维分割为首尾相连的微小收缩单位——肌节。 骨骼肌(横纹肌)细胞由细胞膜和其外侧的基膜共同界定; 细胞膜、细胞外被和基膜共同构成肌膜(sarcolemme)。 肌膜外侧可见肌内膜的胶原纤维(纵切和横切形态)。
该视野显示横切骨骼肌(横纹肌)细胞的周边部分,其边界为肌膜; 线粒体紧贴细胞膜分布; 肌节在不同水平被横切,周围环绕着滑面内质网(肌浆网)的切面。
透射电镜(MET)下观察到的肌原纤维与横纹
骨骼肌(横纹肌)细胞的细胞质充满沿细胞长轴平行排列的肌原纤维; 构成肌原纤维的细肌丝和粗肌丝规则排列,形成不同的横纹带(盘),这是光学显微镜下观察到的骨骼肌横纹的成因。
一个肌节(从一条Z线到另一条Z线)包含半个亮I带、一个暗A带和另半个亮I带; A带中央为H带,H带中央为M线。
肌丝在不同节段的分布(由形成电子致密线的辅助蛋白固定)形成了横纹: A带对应粗肌丝分布区——暗A带是细肌丝与粗肌丝重叠区,浅H带仅含粗肌丝,M线是粗肌丝的附着区; I带仅含细肌丝,Z线是细肌丝的锚定区。
其他细胞组分(线粒体、肌浆网、糖原等)填充在肌原纤维之间。
透射电镜(MET)下横切面(CT)的肌节(Sarcomères)
该视野显示骨骼肌(横纹肌)细胞内不同水平横切的肌节区域,肌丝均呈横切形态:
I带仅由细肌丝构成;A带由粗肌丝和其周围的细肌丝构成。
该视野放大显示A带内细肌丝与粗肌丝的重叠区: 肌原纤维内,细肌丝与粗肌丝规则排列——每个粗肌丝周围环绕6个呈六边形排列的细肌丝,每个细肌丝与3个相邻粗肌丝相互作用。
该高倍视野可区分H带(仅见粗肌丝的区域)和M带(粗肌丝间由桥粒相连的区域)。
波特-帕拉德三联体(Triade de Porter et Palade)
在A带与I带交界处,横小管(tubules T)两侧各伴一个肌浆网终池,共同构成骨骼肌特有的波特-帕拉德三联体(Triade de Porter et Palade)。 横小管是细胞膜垂直于肌原纤维的管状内陷,其管腔与细胞外液相通; 借助横小管,肌膜的兴奋可传导至整个肌浆,使所有肌节同步收缩。
该骨骼肌(横纹肌)细胞纵切面中,波特-帕拉德三联体的横小管表现为细胞膜围成的长形结构; 两侧为肌浆网终池的切面,终池由膜围成,内容物电子密度高(含肌肉收缩时释放到细胞质的钙离子); 终池外的肌浆网切面管腔透明。
该图像显示纵切面的三联体:横小管两侧各伴一个肌浆网终池; 横小管膜与终池膜之间可见耦联结构。